Zenode.ai Logo
Beta

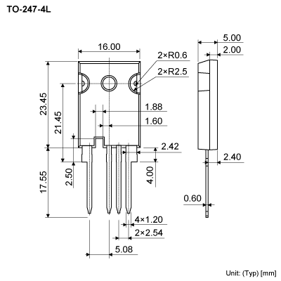
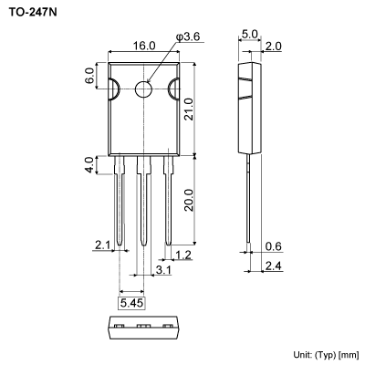
SCT4036KR Series

1200V, 36mΩ, 3-pin THD, Trench-structure, Silicon-carbide(SiC) power MOSFET

Manufacturer: Rohm Semiconductor

Catalog

1200V, 36mΩ, 3-pin THD, Trench-structure, Silicon-carbide(SiC) power MOSFET

Key Features

Low on-resistance, Fast switching speed, Fast reverse recovery, Easy to parallel, Simple to drive, Pb-free lead plating ; RoHS compliant

Description

AI
SCT4036KR is a SiC MOSFET that contributes to miniaturization and low power consumption of applications. This is a 4th generation product that achieves industry-leading low on-resistance without sacrificing short-circuit withstand time. This is a 4-pin package type with a driver source terminal that can maximize the high-speed switching performance that is a feature of SiC MOSFETs.Advantages of ROHM's 4th Generation SiC MOSFETThis series has about 40% reduction in on-resistance and about 50% reduction in switching loss compared to conventional products. The 15V gate-source voltage makes application design easier.