
HIN211E Series
+5V Powered RS-232 Transmitters/Receivers with 0.1µF External Capacitors
Manufacturer: Renesas Electronics Corporation
Catalog
+5V Powered RS-232 Transmitters/Receivers with 0.1µF External Capacitors
Description
AI
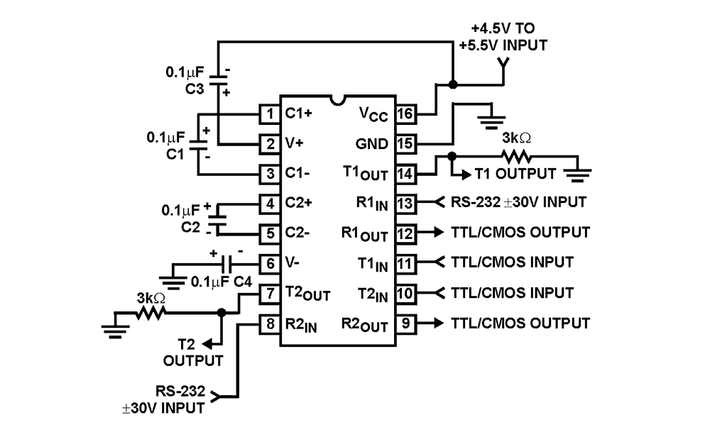
The HIN202E, HIN206E, HIN207E, HIN208E, HIN211E, HIN213E, HIN232E family of RS-232 transmitters/receivers interface circuits meet all ElA high-speed RS-232E and V. 28 specifications, and are particularly suited for those applications where ±12V is not available. A redesigned transmitter circuit improves data rate and slew rate, which makes this suitable for ISDN and High-Speed modems. The transmitter outputs and receiver inputs are protected to ±15kV ESD (Electrostatic Discharge). They require a single +5V power supply and feature onboard charge pump voltage converters which generate +10V and -10V supplies from the 5V supply. The family of devices offers a wide variety of high-speed RS-232 transmitter/receiver combinations to accommodate various applications (see Selection Table). The HIN206E, HIN211E and HIN213E feature a low power shutdown mode to conserve energy in battery powered applications. In addition, the HIN213E provides two active receivers in shutdown mode allowing for easy wakeup capability. The drivers feature true TTL/CMOS input compatibility, slew rate-limited output, and 300Ω power-off source impedance. The receivers can handle up to ±30V input, and have a 3kΩ to 7kΩ input impedance. The receivers also feature hysteresis to greatly improve noise rejection.