
Catalog
12V N-Channel Enhancement Mode MOSFET
Key Features
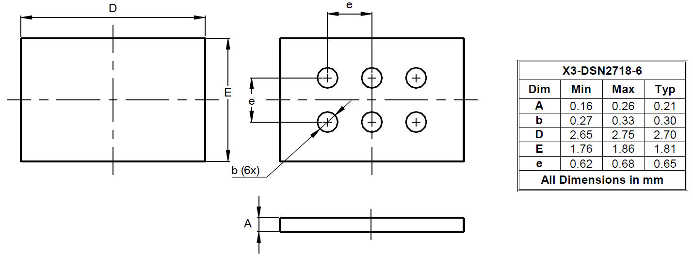
• CSP with Footprint 2.70mm × 1.81mm
• Height = 0.21mm for Low Profile
• ESD Protection of Gate
Description
AI
This new generation MOSFET is designed to minimize the on-state resistance (RSS(ON)) and yet maintain superior switching performance, making it ideal for high efficiency power management applications.