
Catalog
2.2A GLASS PASSIVATED BRIDGE RECTIFIER

2.2A GLASS PASSIVATED BRIDGE RECTIFIER
2.2A GLASS PASSIVATED BRIDGE RECTIFIER
| Part | Current - Reverse Leakage @ Vr | Technology | Voltage - Forward (Vf) (Max) @ If | Diode Type | Supplier Device Package | Package / Case | Voltage - Peak Reverse (Max) [Max] | Mounting Type | Operating Temperature [Min] | Operating Temperature [Max] |
|---|---|---|---|---|---|---|---|---|---|---|
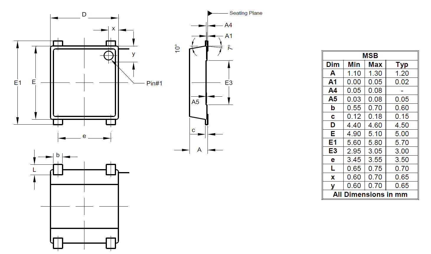
Diodes Inc | 5 µA | Standard | 920 mV | Single Phase | MSBL | 4-SMD Flat Leads | 1000 V | Surface Mount | -55 °C | 150 °C |