
Catalog
N-Channel Enhancement Mode MOSFET
Key Features
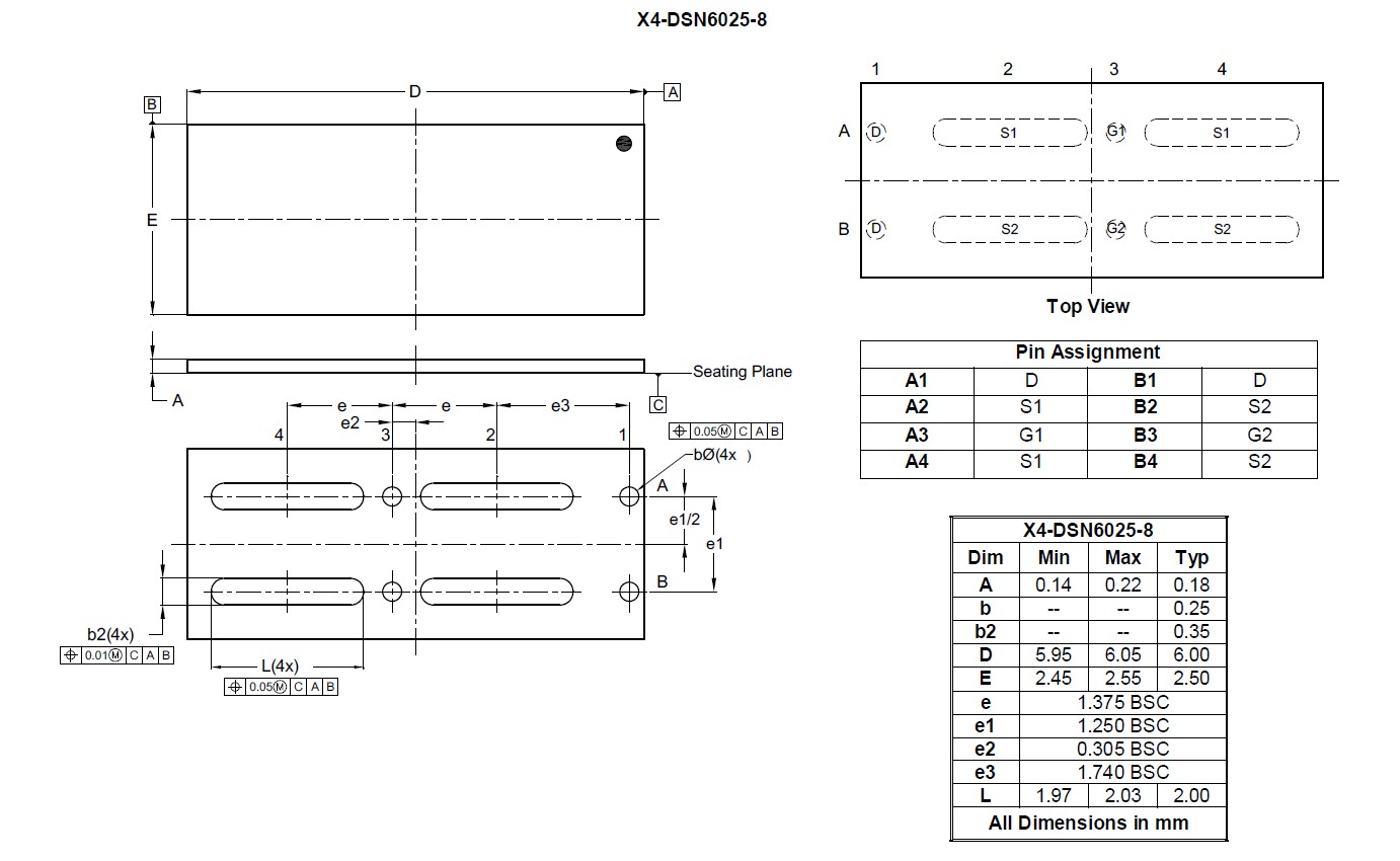
• CSP with Footprint 6mm × 2.5mm
• Height = 0.18mm (typical) for Low Profile
• ESD Protection of Gate
• Totally Lead-Free & Fully RoHS Compliant (Notes 1 & 2)
• Halogen and Antimony Free. "Green" Device (Note 3)
• For automotive applications requiring specific change control (i.e. parts qualified to AEC-Q100/101/104/200, PPAP capable, and manufactured in IATF 16949 certified facilities), pleasecontact usor your local Diodes representative.https://www.diodes.com/quality/product-definitions/
Description
AI
This new generation MOSFET is designed to minimize the on-state resistance (RSS(ON)) yet maintain superior switching performance, making it ideal for high-efficiency power-management applications.