Zenode.ai Logo
Beta

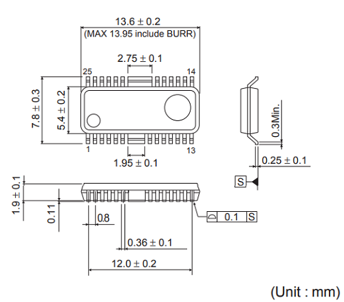
BD6212FP Series

7V Max. H-bridge Drivers

Manufacturer: Rohm Semiconductor

Catalog

7V Max. H-bridge Drivers

Description

AI
ROHM offers a wide lineup of H-bridge drivers in different supply voltages (7V/18V/36V) and output currents (0.5A/1A/2A) to meet the needs of a variety of applications. Our standard products also contain a VREFvariable function that contributes to lower power consumption and greater efficiency. In addition, multiple built-in protection circuits (i.e. thermal shutdown, overcurrent, overvoltage) protect the IC and load from damage while ensuring a high degree of reliability.