
Catalog
SAS/SATA Signal Repeater
Description
AI
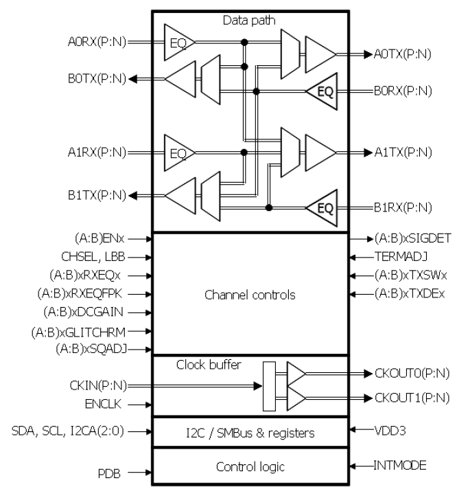
The IDT 89HP0604R 4-channel S-RIO 2.1 Repeater offers the industry a blend of top analog performance, lower power, and the most system level features in signal repeaters optimized for demanding 2.5Gbps to 6.25Gbps applications in computing, storage, and communications.