
Catalog
NRND = Not Recommended for New Design
Key Features
• Internal Full Bridge Driver
• High Sensitivity Integrated Hall Sensor
• Low and Wide Supply Voltage Range of 2.0V to 6V
• Soft Switching for Low Noise
• Rotor Lock Protection and Auto-restart
• DC Voltage or PWM Signal Speed Control
• Thermal Protection
• Operating Temperature range of -40ºC to 105ºC
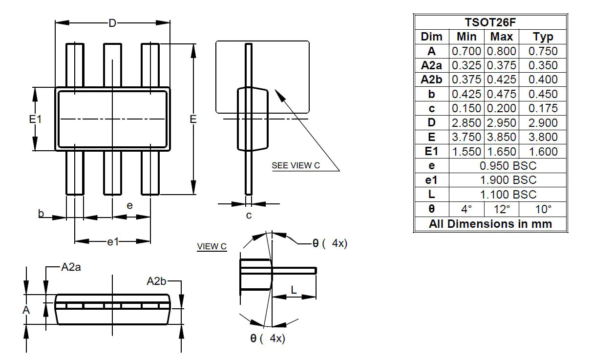
• Flat pin TSOT26F Package
• Totally Lead-Free & Fully RoHS Compliant
• Halogen and Antimony Free. "Green" Device
Description
AI
The AH9485 is a single chip solution for driving a single phase (coil) brushless DC motors. It integrates the motor driver and the high sensitivity Hall effect sensor to simplify the system circuit and PCB design for simpler solutions.