
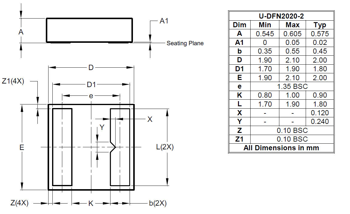
Catalog
NRND = Not Recommended for New Design
Description
AI
The SBRT4U30LP provides very low VF and excellent reverse leakage stability at high temperatures. It is ideal for use as bypass diode and rectifier, freewheel diode or blocking diode in applications.