
Catalog
Micropower Unipolar Hall Effect Switch
Key Features
• Omnipolar Operation (North or South pole)
• Supply Voltage of 1.6V to 3.6V
• High Sensitivity
• Micropower Operation
• Chopper Stabilized Design Provides - Superior Temperature Stability - Minimal Switch Point Drift - Enhanced Immunity to Physical Stress
• No External Pull-up Resistors Required
• Good RF Noise Immunity
-40°C to +85°C Operating Temperature
• High ESD capability of 8kV (Human Body Model)
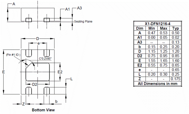
• Small Low Profile X1-DFN1216-4, X2-DFN2015-6 and leaded SOT553 Packages
Description
AI
The AH3360 is a high sensitivity micropower Unipolar Hall effect switch IC with internal pull up and pull down capability. Designed for portable and battery powered equipment such as cellular phones and portable PCs to home appliances and industrial applications, the average supply current is only 4.3uA at 1.85V. To support portable equipment the AH3360 can operate over the supply range of 1.6V to 3.6V and uses a hibernating clocking system to minimize the power consumption. Based on chopper stabilized architecture the AH3360 provides a reliable solution over the whole operating range. To minimize PCB space the AH3360 is available in small low profile packages . The single output is activated with a South pole of sufficient magnetic field strength. When the magnetic flux density (B) perpendicular to the package is larger than operate point (Bop), the output will be turned on (pul°C low) and held until B is lower than release point (Brp). The output will remain off when there is no magnetic field. The AH3360 is available in a small low profile X1-DFN1216-4, X2-DFN2015-6 and leaded SOT553 packages.