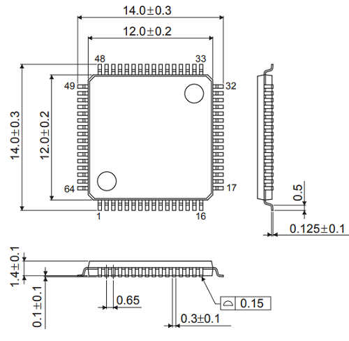
BD34705KS2 Series
Manufacturer: Rohm Semiconductor
ROHM MUSICAL DEVICE MUS-IC™ SERIES, 7.1CH SOUND PROCESSOR WITH BUILT-IN MICRO-STEP VOLUME
| Part | Mounting Type | Function | Supplier Device Package | Package / Case | Applications | Operating Temperature [Max] | Operating Temperature [Min] | Interface | Voltage - Supply [Min] | Voltage - Supply [Max] | Number of Channels |
|---|---|---|---|---|---|---|---|---|---|---|---|
Rohm Semiconductor | Surface Mount | Audio Signal Processor | 64-SQFP | 64-LQFP | Consumer Audio | 85 C | -40 ¯C | Serial | -6.5 V | 7.5 V | 8 |