| Development Boards, Kits, Programmers | 5 | Active | |
ADP129012 V, 2 A Logic Controlled High-Side Power Switch | Integrated Circuits (ICs) | 1 | Active | The ADP1290 is a high-side load switch designed for operation between 2.3 V and 13.2 V. This load switch provides power domain isolation, helping to extend battery operation. The device contains a low on-resistance, N-channel MOSFET that supports more than 2 A of continuous current and minimizes power loss. In addition, RDSON is constant independent of the VIN voltage. The low 15 ƒÊA quiescent current and ultralow shutdown current of 20 ƒÊA make the ADP1290 ideal for battery-operated portable equipment. The built-in level shifter for enable logic makes the ADP1290 compatible with many processors and general-purpose input/output (GPIO) controllers.In addition to operating performance, the ADP1290 occupies minimal printed circuit board (PCB) space with an area of less than 1.5 mm2 and a height of 0.60 mm.The ADP1290 is available in an ultrasmall, 1 mm × 1.5 mm, 6-ball, 0.5 mm pitch WLCSP.APPLICATIONSMobile phonesDigital cameras and audio devicesPortable and battery-powered equipment |
ADP130350 mA, Low VIN, Low Quiescent Current, CMOS Linear Regulator | Linear Voltage Regulator Evaluation Boards | 9 | Active | The ADP130 is a low quiescent current, low dropout linear regulator. It is designed to operate in dual-supply mode with an input voltage as low as 1.2 V to increase efficiency and provide up to 350 mA of output current. The low 17 mV dropout voltage at a 100 mA load improves efficiency and allows operation over a wider input voltage range.A dual-supply power solution typically improves conversion efficiency over a single-supply solution because the higher VBIASsupply powers the part, and the lower VINsupply delivers current to the load. The power dissipated in the device is thereby reduced. The ADP130 is optimized for stable operation with small 1 μF ceramic output capacitors. The ADP130 delivers good transient performance with minimal board area.The ADP130 is available in fixed output voltages ranging from : 0.80 V to 3.0 V.The ADP130 has a typical internal soft start time of 200 μs. Short-circuit protection and thermal overload protection circuits prevent damage in adverse conditions. The ADP130 is available in a tiny 5-lead TSOT package for the smallest footprint solution to meet a variety of portable power applications.ApplicationsMobile phonesDigital camera and audio devicesPortable and battery-powered equipmentPost dc-to-dc regulationData Sheet, Rev. 0, 8/08 |
ADP150Ultralow Noise, 150 mA CMOS Linear Regulator | Evaluation Boards | 18 | Active | The ADP150 is an ultralow noise (9 μV), low dropout, linear regulator that operates from 2.2 V to 5.5 V and provides up to 150 mA of output current. The low 105 mV dropout voltage at 150 mA load improves efficiency and allows operation over a wide input voltage range.Using an innovative circuit topology, the ADP150 achieves ultralow noise performance without the necessity of an additional noise bypass capacitor, making it ideal for noise sensitive analog and RF applications. The ADP150 also achieves ultralow noise performance without compromising PSRR or line and load transient performance. The ADP150 offers the best combination of ultralow noise and quiescent current consumption to maximize battery life in portable applications.The ADP150 is specifically designed for stable operation with tiny 1 μF ± 30% ceramic input and output capacitors to meet the requirements of high performance, space-constrained applications.The ADP150 is available in 14 fixed output voltage options, ranging from 1.8 V to 3.3 V.Short-circuit and thermal overload protection circuits prevent damage in adverse conditions. The ADP150 is available in tiny 5-lead TSOT and 4-ball, 0.4 mm pitch WLCSP packages for the smallest footprint solution to meet a variety of portable power applications.APPLICATIONSMobile phonesDigital camera and audio devicesPortable and battery-powered equipmentPost dc-to-dc regulationPortable medical devicesRF, voltage controlled oscillator (VCO), and phase locked loop (PLL) power supplies |
ADP151Ultralow Noise, 200mA, CMOS Linear Regulator | Voltage Regulators - Linear, Low Drop Out (LDO) Regulators | 32 | Active | The ADP151 is an ultralow noise, low dropout (LDO) linear regulator that operates from 2.2 V to 5.5 V and provides up to 200 mA of output current. The low 135 mV dropout voltage at 200 mA load improves efficiency and allows operation over a wide input voltage range.Using an innovative circuit topology, the ADP151 achieves ultralow noise performance without the necessity of a bypass capacitor, making the device ideal for noise-sensitive analog and RF applications. The ADP151 also achieves ultralow noise performance without compromising the power supply rejection ratio (PSRR) or transient line and load performance. The low 265 μA of operating supply current at 200 mA load makes the ADP151 suitable for battery-operated portable equipment.The ADP151 also includes an internal pull-down resistor on the EN input.The ADP151 is specifically designed for stable operation with tiny 1 μF, ±30% ceramic input and output capacitors to meet the requirements of high performance, space constrained applications.The ADP151 is capable of 16 fixed output voltage options, ranging from 1.1 V to 3.3 V.Short-circuit and thermal overload protection circuits prevent damage in adverse conditions. The ADP151 is available in tiny 5-lead TSOT, 6-lead LFCSP, and 4-ball, 0.4 mm pitch, halide-free WLCSP packages for the smallest footprint solution to meet a variety of portable power application requirements.APPLICATIONSRF, voltage controlled oscillator (VCO), and phase locked loop (PLL) power suppliesMobile phonesDigital camera and audio devicesPortable and battery-powered equipmentPost dc-to-dc regulationPortable medical devicesAutomotive |
ADP160Ultra Low Quiescent Current 150 mA, CMOS Linear Regulator | PMIC | 21 | Active | The ADP160 /ADP161/ADP162/ADP163are ultralow quiescent current, low dropout, linear regulators that operate from 2.2 V to 5.5 V and provide up to 150 mA of output current. The low 195 mV dropout voltage at 150 mA load improves efficiency and allows operation over a wide input voltage range.The ADP16x are specifically designed for stable operation with tiny 1 μF ± 30% ceramic input and output capacitors to meet the requirements of high performance, space-constrained applications.The ADP160 is available in 15 fixed output voltage options, ranging from 1.2 V to 4.2 V. The ADP160 / ADP161 also include a switched resistor to discharge the output automatically when the LDO is disabled. The ADP162 is identical to the ADP160 but does not include the output discharge function. The ADP161and ADP163 are available as a adjustable output voltage regulators. They are only available in a 5-lead TSOT package. The ADP163 is identical to the ADP161 but does not include the output discharge function.Short-circuit and thermal overload protection circuits prevent damage in adverse conditions. The ADP160 and ADP162 are available in a tiny 5-lead TSOT and a 4-ball, 0.5 mm pitch WLCSP package for the smallest footprint solution to meet a variety of portable power applications.APPLICATIONSMobile phonesDigital cameras and audio devicesPortable and battery-powered equipmentPost dc-to-dc regulationPortable medical devices |
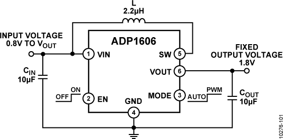
ADP16062 MHz, Synchronous Boost DC-to-DC Converters | Voltage Regulators - DC DC Switching Regulators | 1 | Active | The ADP1606 /ADP1607are high efficiency, synchronous, fixed frequency, step-up dc-to-dc switching converters with a 1.8 V fixed output voltage option and a 1.8 V to 3.3 V adjustable output voltage option for use in portable applications.The 2 MHz operating frequency enables the use of small footprint, low profile external components. Additionally, the synchronous rectification, internal compensation, internal fixed current limit, and current mode architecture allow excellent transient response and a minimal external part count.Other key features include fixed PWM and light load PFM mode options, true output isolation, thermal shutdown (TSD), and logic controlled enable. Available in a lead-free, thin, 6-lead LFCSP package, the ADP1606 / ADP1607 are ideal for providing efficient power conversion in portable devices.APPLICATIONS1-cell and 2-cell alkaline and NiMH/NiCd powered devicesPortable audio players, instruments, and medical devicesSolar cell applicationsMiniature hard disk power suppliesPower LED status indicators |
ADP16072 MHz, Synchronous Boost DC-to-DC Converter | Voltage Regulators - DC DC Switching Regulators | 3 | Active | The ADP1607 is a high efficiency, synchronous, fixed frequency, step-up dc-to-dc switching converter with an adjustable output voltage between 1.8 V and 3.3 V for use in portable applications.The 2 MHz operating frequency enables the use of small footprint, low profile external components. Additionally, the synchronous rectification, internal compensation, internal fixed current limit, and current mode architecture allow for excellent transient response and a minimal external part count.Other key features include fixed PWM and light load PFM mode options, true output isolation, thermal shutdown (TSD), and logic controlled enable. Available in a lead-free, thin, 6-lead LFCSP package, the ADP1607 is ideal for providing efficient power conversion in portable devices.APPLICATIONS1-cell and 2-cell alkaline and NiMH/NiCd powered devicesPortable audio players, instruments, and medical devicesSolar cell applicationsMiniature hard disk power suppliesPower LED status indicators |
ADP161Ultra Low Quiescent Current 150 mA, CMOS Linear Regulator | Integrated Circuits (ICs) | 1 | Active | TheADP160/ ADP161 /ADP162/ADP163are ultralow quiescent current, low dropout, linear regulators that operate from 2.2 V to 5.5 V and provide up to 150 mA of output current. The low 195 mV dropout voltage at 150 mA load improves efficiency and allows operation over a wide input voltage range.The ADP16x are specifically designed for stable operation with tiny 1 μF ± 30% ceramic input and output capacitors to meet the requirements of high performance, space-constrained applications.The ADP160 is available in 15 fixed output voltage options, ranging from 1.2 V to 4.2 V. The ADP160 / ADP161 also include a switched resistor to discharge the output automatically when the LDO is disabled. The ADP162 is identical to the ADP160 but does not include the output discharge function.The ADP161 and ADP163 are available as a adjustable output voltage regulators. They are only available in a 5-lead TSOT package. The ADP163 is identical to the ADP161 but does not include the output discharge function.Short-circuit and thermal overload protection circuits prevent damage in adverse conditions. The ADP160 and ADP162 are available in a tiny 5-lead TSOT and a 4-ball, 0.5 mm pitch WLCSP package for the smallest footprint solution to meet a variety of portable power applications.APPLICATIONSMobile phonesDigital cameras and audio devicesPortable and battery-powered equipmentPost dc-to-dc regulationPortable medical devices |
ADP16101.2 MHz DC-DC Step-Up Switching Converter | Power Management (PMIC) | 1 | Active | The ADP1610 is a dc-to-dc step-up switching converter with an integrated 1.2 A, 0.2 Ω power switch capable of providing an output voltage as high as 12 V. With a package height of less that 1.1 mm, the ADP1610 is optimal for space-constrained applications such as portable devices or thin film transistor (TFT) liquid crystal displays (LCDs).The ADP1610 operates in pulse-width modulation (PWM) current mode with up to 92% efficiency. Adjustable soft start prevents inrush currents at startup. The pin-selectable switching frequency and PWM current-mode architecture allow excellent transient response, easy noise filtering, and the use of small, cost-saving external inductors and capacitors.The ADP1610 is offered in the Pb-free 8-lead MSOP and operates over the temperature range of −40°C to +85°C.APPLICATIONSTFT LC bias suppliesPortable applicationsIndustrial/instrumentation equipment |