/ 0
100%

5P49EE802NDGIObsolete
Renesas Electronics Corporation
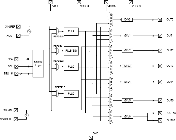
VERSACLOCK LOW POWER CLOCK GENERATOR
Ask questions about this document, request analysis, or get help understanding technical specifications.
5P49EE802 Datasheet

Ask questions about this document, request analysis, or get help understanding technical specifications.